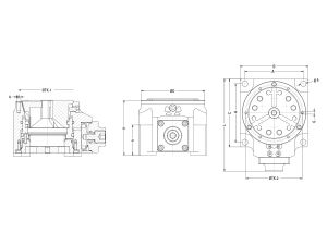
Type MZ manual clamping units
manual clamping units type MZ
| art. no. | A | B | C | L | h | H | d | D | ØTK-1 | ØTK-2 | G |
| MZ 32 | 80 | 110 | 105 | 145 | 65 | 100 | 100 | 84 | 70 | 66 | M5 |
| MZ 42 | 100 | 130 | 117,5 | 162 | 65 | 100 | 100 | 106 | 92 | 86 | M5 |
| MZ 52 | 100 | 130 | 117,5 | 162 | 65 | 100 | 100 | 106 | 92 | 86 | M5 |
| MZ 65 | 112 | 150 | 130 | 176 | 57 | 104 | 104 | 122 | 110 | 107 | M5 |
| MZ 80 | 112 | 165 | 142,5 | 189,7 | 59 | 104 | 104 | 136 | 125 | M6 |
conversion kits type S, deadlength collets series 100 and draw-back collets series 300
| art. no. | H | ØD |
| MZ32 - 140 E | 141 | 70 |
| MZ32 - 148 E | 141 | 70 |
| MZ32 - 349 E | 122 | 80 |
| MZ42 - 163 E | 142 | 80 |
| MZ42 - 364 E | 122 | 70 |
| MZ52 - 148 E | 140 | 80 |
| MZ52 - 161 E | 142 | 80 |
| MZ52 - 163 E | 142 | 80 |
| MZ52 - 359 E | 122 | 70 |
| MZ52 - 364 E | 122 | 70 |
| MZ65 - 163 E | 146 | 80 |
| MZ65 - 173 E | 150 | 104 |
| MZ65 - 367 E | 126 | 70 |
| MZ65 - 385 E | 126 | 70 |
| MZ65 - 386 E | 136 | 70 |
| MZ65 - 3713 E | 126 | 70 |
In addition to the advantages of Nann‘s established clamping units, the manual clamping unit type MZ offers further possibilities. Clamping via clamping heads, deadlength collets, draw-back collets or clamping sleeves is made easy within a short time by replacing a few components. All this is now made possible through an optimised power transmission in both axial directions and a double-acting piston. The flexible design and comfortable, efficient mounting are further advantages.


